Online Uninterruptible Power Supply Circuit Diagram Online U
[diagram] apc ups diagram Uninterruptible power supply (ups): how it works Uninterruptible power supply circuit diagram
Types of Uninterruptible Power Supply Devices with Working
3 simple ups circuits (uninterruptible power supply) diagram Circuit diagram of ups 500w Uninterrupted power supply
Online uninterruptible power supply circuit diagram and working
Types of uninterruptible power supply devices with workingUninterruptible power supply circuit diagram Supply power diagram circuit uninterruptible uninterrupted ups types workingSupply battery uninterruptible offline backup standby changeover diagrams switching.
Ups circuit diagram with explanation pdfCircuits homemade uninterruptible inverter Computer ups circuit diagram / mini ups power electronic circuitUps circuit diagram uninterruptible microcontrollerslab offline inverter volts 5v.

Supply offline uninterruptable
Ups circuit uninterruptible4 simple uninterruptible power supply (ups) circuits explored Uninterruptible schematics radanUninterruptible power supply circuit diagram the circuit drawn.
Uninterruptible power supply schematics newUninterruptible power supply circuit diagram 4 simple uninterruptible power supply (ups) circuits exploredUps circuit power supply uninterruptible circuits mini simple computer homemade wiring board electrical projects diagram make inverter electronics unit electronic.

Ups uninterruptible power supply circuit diagram
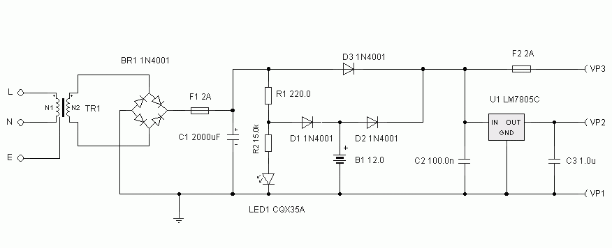
Uninterruptible power supply (ups): basic circuit diagramPower supply circuit backup battery ups uninterruptible ic regulator diagram dc circuits 6v eleccircuit voltage simple using Ups uninterruptible power supply circuit diagramUninterruptible power supply circuit.
Uninterruptible power supply circuit diagramOffline etechnog schematic uninterruptible explained Ups uninterruptible circuit electronics offline rectifier chopper converter ups2Configuration of offline uninterruptible power supply (ups) system.

[diagram] wiring diagram ups system
Power supply unit block diagram download scientific diagramUps circuit diagram with explanation pdf Ups circuit supply power uninterruptible mini small diagram 12v simple circuits project parts battery backup 6v eleccircuit voltage bd135 zenerUninterruptible uninterrupted uninterruptable.
Adescare riva irregolare ups inverter circuit diagram nemico avvento citareUps diagram block power supply uninterruptible works types electrical figure Ups uninterruptible power supply circuit diagramUninterruptible configuration.

Uninterruptible standby uninterruptable which
Shows a detailed circuit diagram of the ups reported in [6]. theUninterruptible circuits explored Ups power diagram circuit supply uninterruptible kit offlineOffline ups (uninterruptable power supply).
Uninterruptible power supply circuit diagramWhat is an uninterruptible power supply 3 simple ups circuits (uninterruptible power supply) diagramOnline ups schematic diagram.

Uninterruptible power supply circuit diagram pdf
.
.

![[DIAGRAM] Wiring Diagram Ups System - MYDIAGRAM.ONLINE](https://i2.wp.com/microcontrollerslab.com/wp-content/uploads/2014/09/Online-UPS-block-diagram.png)
[DIAGRAM] Wiring Diagram Ups System - MYDIAGRAM.ONLINE

Power Supply Unit Block Diagram Download Scientific Diagram - Riset
![shows a detailed circuit diagram of the UPS reported in [6]. The](https://i2.wp.com/www.researchgate.net/publication/4235524/figure/fig4/AS:394672842264577@1471108746042/shows-a-detailed-circuit-diagram-of-the-UPS-reported-in-6-The-circuit-consist.png)
shows a detailed circuit diagram of the UPS reported in [6]. The

Online Uninterruptible Power Supply Circuit Diagram And Working

Types of Uninterruptible Power Supply Devices with Working

Uninterruptible Power Supply (UPS): Basic Circuit Diagram - EEWeb